协会logo
南充市有害生物防制协会
NANCHONG PEST CONTROL ASSOCIATION
会员档案查询入口
服务能力查询
  • 首页
  • 了解协会
    协会简介 协会章程 联系我们
  • 标准专栏
    国家标准 行业标准 创卫标准 地方标准 指导性技术文件 强制性国家标准 推荐性国家标准
  • 企业能力查询
    服务能力查询 会员档案查询
  • 企业服务
    创卫指导 招投标指导 企业专属培训
  • 专家委员会
    学术型专家 技术型专家 合作伙伴
  • 培训教育
    个人证书查询 培训信息公示 培训基地目录
  • 资料共享
  • 行业动态
    协会动态 行业资讯 时政信息 培训动态
1 首页
首页 > 标准专栏 > 行业标准
农药登记用卫生杀虫剂室内试验试虫养殖方法 第1部分:家蝇

NY-T 1964.1-2010 农药登记用卫生杀虫剂室内试验试虫养殖方法 第1部分:家蝇_01.jpg

NY-T 1964.1-2010 农药登记用卫生杀虫剂室内试验试虫养殖方法 第1部分:家蝇_02.jpg

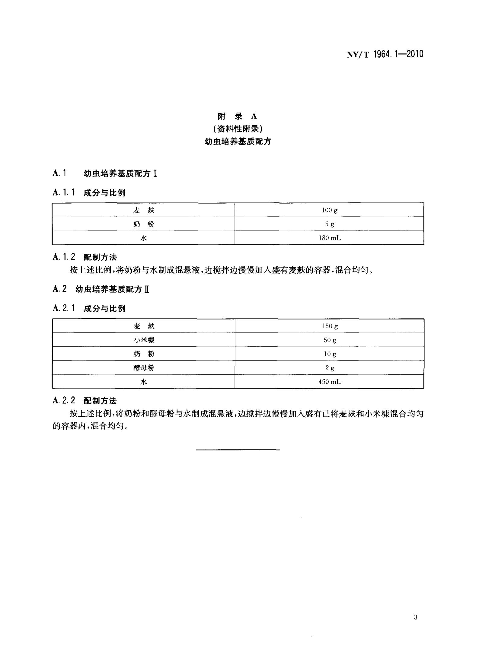
NY-T 1964.1-2010 农药登记用卫生杀虫剂室内试验试虫养殖方法 第1部分:家蝇_03.jpg

NY-T 1964.1-2010 农药登记用卫生杀虫剂室内试验试虫养殖方法 第1部分:家蝇_04.jpg

NY-T 1964.1-2010 农药登记用卫生杀虫剂室内试验试虫养殖方法 第1部分:家蝇_05.jpg

上一篇: 农药室内生物测定试验准则 杀线虫剂 第1部分 抑制植物病原线虫试验 浸虫法 下一篇: 农药登记用卫生杀虫剂室内试验试虫养殖方法 第2部分:淡色库蚊和致倦库蚊

地址: 四川省南充市顺庆区和平东路34号     电话: 18121931888     网站: nanchong-pcoa.com

    蜀ICP备2025177056号-1     © 2025 南充市有害生物防制协会 版权所有