南充市有害生物防制协会
NANCHONG PEST CONTROL ASSOCIATION
会员档案查询入口
服务能力查询
首页
了解协会
协会简介
协会章程
联系我们
标准专栏
国家标准
行业标准
创卫标准
地方标准
指导性技术文件
强制性国家标准
推荐性国家标准
企业能力查询
服务能力查询
会员档案查询
企业服务
创卫指导
招投标指导
企业专属培训
专家委员会
学术型专家
技术型专家
合作伙伴
培训教育
个人证书查询
培训信息公示
培训基地目录
资料共享
行业动态
协会动态
行业资讯
时政信息
培训动态
首页
>
标准专栏
>
强制性国家标准
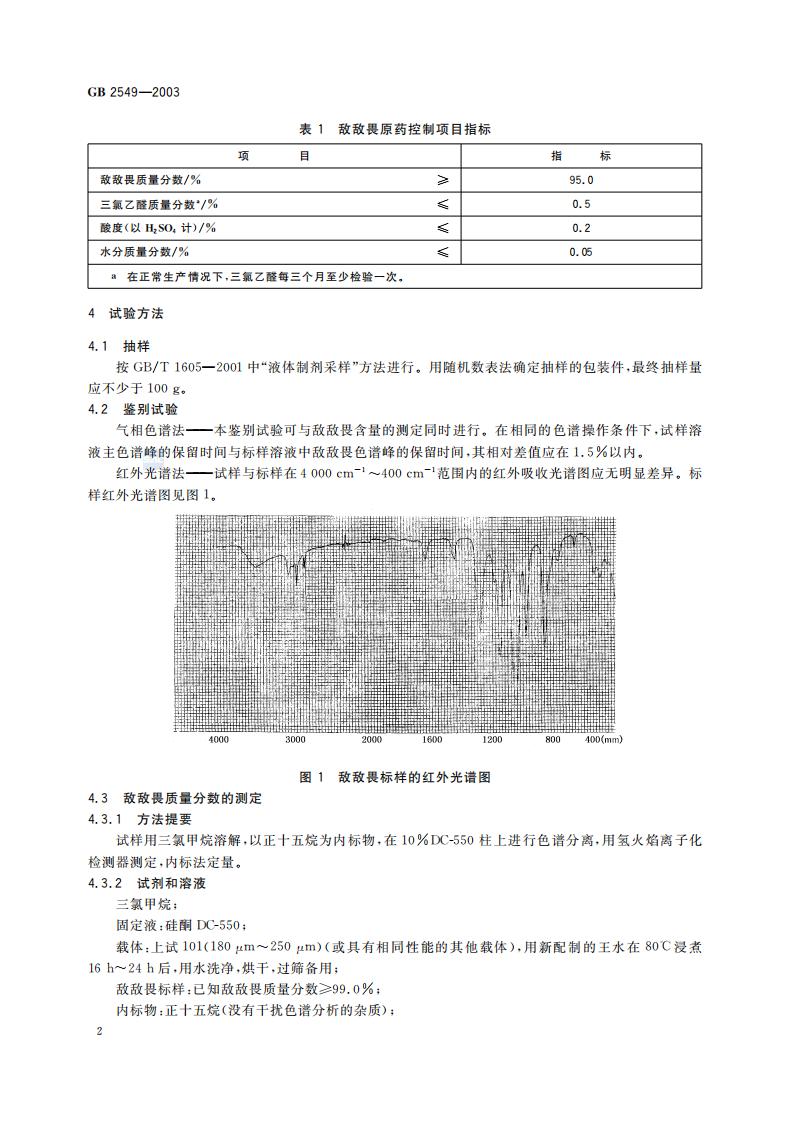
GB 2549-2003 敌敌畏原药
下一篇: GB 4838-2018 农药乳油包装